sábado, 22 de dezembro de 2012
quarta-feira, 19 de dezembro de 2012
sábado, 8 de dezembro de 2012
Amplificador LM383
Alta capacidade de corrente (3,5 A)
- Faixa de tensão de alimentação: 5 a 18 V
- Impedância de entrada: 150 k ohms
- Faixa passante: 30 kHz
- Potência de saída: 7,2 W com 2 ohms de carga e 14,4 V de alimentaçăo
- Distorção Harmônica Total: 0,2% (tip)
Leia mais: http://www.te1.com.br/2009/10/circuitoamplificador-lm383/#ixzz2ETGgLYxi
© 2012 http://www.te1.com.br
- Faixa de tensão de alimentação: 5 a 18 V
- Impedância de entrada: 150 k ohms
- Faixa passante: 30 kHz
- Potência de saída: 7,2 W com 2 ohms de carga e 14,4 V de alimentaçăo
- Distorção Harmônica Total: 0,2% (tip)
Leia mais: http://www.te1.com.br/2009/10/circuitoamplificador-lm383/#ixzz2ETGgLYxi
© 2012 http://www.te1.com.br
domingo, 18 de novembro de 2012
quarta-feira, 31 de outubro de 2012
sexta-feira, 24 de agosto de 2012
quinta-feira, 14 de junho de 2012
quarta-feira, 6 de junho de 2012
segunda-feira, 4 de junho de 2012
Amplificador Transistorizado 25W
Galera a imagem não está muito nítida mas o esquema foi tirado da revista "circuitos de áudio nº3", mais informações em www.blogdopicco.blogspot.com
sexta-feira, 1 de junho de 2012
Link não encontrado.
http://eletronicaepaulino.blogspot.com.br/2011/11/fonte-1000w-com-controle-de-tensao-e.html?showComment=1338588973417#c5676940793880695512
Gente peço desculpas por não atender um pedido pois o site em que estava o material postado já não existe mais, isso ocorreu após o fechamento do Megaupload pelos EUA e o link da postagem está acima para quem desejar rever e se por ventura alguém já tenha esse material, mande pra gente para que possamos publicar para todos aqui, obrigado a todos.
Gente peço desculpas por não atender um pedido pois o site em que estava o material postado já não existe mais, isso ocorreu após o fechamento do Megaupload pelos EUA e o link da postagem está acima para quem desejar rever e se por ventura alguém já tenha esse material, mande pra gente para que possamos publicar para todos aqui, obrigado a todos.
domingo, 13 de maio de 2012
sábado, 12 de maio de 2012
segunda-feira, 7 de maio de 2012
segunda-feira, 23 de abril de 2012
segunda-feira, 16 de abril de 2012
sexta-feira, 13 de abril de 2012
Máquinas de choque como funcionam?
Descobriremos como funcionam as armas de choque (stun guns) e as armas Taser (taser guns) e as armas de choque a líquido. Apesar dessas armas não serem infalíveis, elas podem salvar vidas em determinadas situações.
A eficácia da arma de choque varia dependendo do modelo específico de arma, do tamanho do corpo do agressor e da determinação do agressor. Isso também depende de quanto tempo você mantém a arma de choque no agressor.
Se usar a arma por meio segundo, uma dolorosa sacudida assustará o agressor. Se você atirar por um ou dois segundos, ele deverá experimentar espasmos musculares e ficar confuso. Se atirar por mais de três segundos, ele ficará desequilibrado e desorientado, perdendo o controle muscular. Determinados agressores com certa fisiologia podem continuar sua ação, apesar do choque.
Arma de choque padrão
As armas de choque convencionais têm um desenho bastante simples. Elas são aproximadamente do tamanho de uma lanterna e funcionam com baterias comuns de 9 volts. Os choques são entre 20 mil e 150 mil volts!
As armas de choque convencionais têm um desenho bastante simples. Elas são aproximadamente do tamanho de uma lanterna e funcionam com baterias comuns de 9 volts. Os choques são entre 20 mil e 150 mil volts!

Armas de choque de Mini-dardos voadoresUma popular variação do desenho da arma de choque convencional é a arma Taser. Armas Taser funcionam do mesmo modo básico que as armas de choque comuns, exceto que os dois eletrodos de carga não estão permanentemente unidos à estrutura. Em vez disso, estão posicionados nas extremidades e tem conectados a eles longos fios condutores que estão conectados ao circuito elétrico da arma. Pressionar o gatilho abre um cartucho de ar comprimido dentro da arma. A expansão do gás cria pressão atrás dos eletrodos, lançando-os através do ar, arrastando os fios conectados (esse é o mesmo mecanismo básico de disparo de uma arma de ar comprimido ou “chumbinho”).
Os eletrodos possuem pequenos ganchos de modo que irão agarrar na roupa de um agressor. Quando os eletrodos se prendem, a corrente transita dos fios para o agressor, aturdindo-o da mesma maneira que uma arma de choque convencional.
A principal vantagem desse desenho é poder atingir os agressores a uma distância grande (4 a 6 metros). A desvantagem é que você só faz um disparo. Mas nas Armas Taser, já existem modelos com multiplos disparos.

Arma de choque de carga a líquidoUma das mais recentes armas de choque é a arma de choque a líquido. Ela funciona do mesmo modo que as armas Taser, exceto pelo fato de usar um jato líquido para conduzir eletricidade em vez de fios estendidos.
A arma é presa a um tanque de líquido de alta condutividade, geralmente uma mistura de água, sal e vários outros elementos de condução. Quando se aperta o gatilho, a corrente elétrica transita da arma, através do jato líquido, até o agressor.
Essas armas têm um disparo de alcance maior do que as armas Taser, e você pode disparar muitas vezes repetidamente. Elas geralmente são mais complicadas do que as armas Taser, pois é necessário carregar o líquido condutivo junto com a arma. Armas altamente poderosas funcionam com veículos equipados com canhões de água, enquanto modelos portáteis incluem geralmente uma mochila com um tanque de água.
sexta-feira, 9 de março de 2012
domingo, 4 de março de 2012
Temporizador de uso geral
No final do tempo programado, a saída do 555, que funciona como um mono-estável, vai ao nível baixo, fazendo com que o relé desligue e com isso a própria alimentação do circuito e da carga controlada.
O LED serve de monitoria de funcionamento e o relé deve ter corrente máxima de contato, de acordo com a carga a ser controlada.
Muito importante para se obter o tempo máximo é a qualidade capacitor eletrolítico C1, que não deve apresentar fugas.
O circuito pode ser alimentado por uma fonte de 12 V com pelo menos 300 mA de corrente, a qual pode ser alimentada por um sistema paralelo que também seja ativado somente no momento em pressionamos S2.
Bloqueador de combustível temporizado
O solenóide permanecerá aberto por aproximadamente 2 minutos, sendo desligado depois de 2 minutos de desligada a chave de partida. O período de temporização é determinado basicamente pelo capacitor C¹.
Isso garante a eventual necessidade de se dar varias partidas sem o bloqueio do combustível.
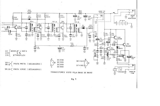
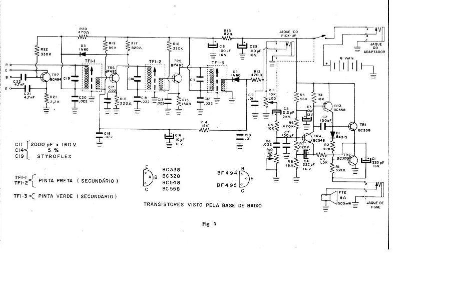
Transmissor FM simples.
L é a bobina, consta de 4 espiras de fio esmaltado 20 AWG, núcleo de ar, use um lápis para enrolar a bobina.
Leia mais: http://www.te1.com.br/2008/12/transmissor-de-fm-com-bf494-ou-bf495-facil-montagem/#ixzz1o9UIQF2J
© 2012 http://www.te1.com.br
Leia mais: http://www.te1.com.br/2008/12/transmissor-de-fm-com-bf494-ou-bf495-facil-montagem/#ixzz1o9UIQF2J
© 2012 http://www.te1.com.br
sexta-feira, 2 de março de 2012
Circuito Áudio Visual
Fonte: http://www.reconnsworld.com/forum/read.php?8,62



Parts:
C122uf 250V Electrolytic Capacitor
C3.01uf Disc Capacitor
C547k 1/2 W Resistor
R2,R43.3k 1/2 W Resistor
R7,R8,R9_1k 1/2 W Resistor
R10,R11,R121N4004 Diode
Q1,Q2Audio Transformer, 10k:600 Ohms
S1___AC Line Cord, Crystal Microphone, Case, Wire.
Notes:
R10, R11 and R12 control the response of the different lights.
The circuit can handle up to 300 watts per channel.
This circuit is NOT isolated from the 115 Volt line. If it is used with the case opened or not installed in a case, you could recieve a bad shock or be killed.
You can also use the Teccor S2003LS1 SCR for SCR1. These give better sensitivity and brightness than the 106B1 units.



Parts:
C122uf 250V Electrolytic Capacitor
C3.01uf Disc Capacitor
C547k 1/2 W Resistor
R2,R43.3k 1/2 W Resistor
R7,R8,R9_1k 1/2 W Resistor
R10,R11,R121N4004 Diode
Q1,Q2Audio Transformer, 10k:600 Ohms
S1___AC Line Cord, Crystal Microphone, Case, Wire.
Notes:
R10, R11 and R12 control the response of the different lights.
The circuit can handle up to 300 watts per channel.
This circuit is NOT isolated from the 115 Volt line. If it is used with the case opened or not installed in a case, you could recieve a bad shock or be killed.
You can also use the Teccor S2003LS1 SCR for SCR1. These give better sensitivity and brightness than the 106B1 units.
quarta-feira, 15 de fevereiro de 2012
quarta-feira, 8 de fevereiro de 2012
sexta-feira, 27 de janeiro de 2012
terça-feira, 24 de janeiro de 2012
Agradecimentos ao blog "Fusca Fatos e Fotos"
Agradecimentos ao blog "http://fuscafatosefotos.blogspot.com/" pela cordialidade dos esquemas elétricos de alguns carros nacionais.
sexta-feira, 20 de janeiro de 2012
Site Megaupload fechado pelo FBI
Com o bloqueio do site tivemos que retirar alguns links de onde se baixava as nossas apostilas e em breve acharemos outro site para que possamos compartilhar, Até mais...
quinta-feira, 19 de janeiro de 2012
Compartilhando as boas coisas.
Gente encontrei um bom material do fiat uno, sim como diagramas elétricos e algumas coisas a mais, em breve vou postar aqui pra todos baixarem, pois o meu objetivo é compartilhar as informações que estão "escondidas nas mãos de alguns" e divulgar gratuitamente a todos. SEMPRE LEIAM OS AVISOS.
Assinar:
Comentários (Atom)





























